Текущее время: Чт 23 апр, 2026 16:54


Часовой пояс: UTC + 3 часа [ Летнее время ]




Начать новую тему Ответить на тему  [ Сообщений: 16 ]  На страницу 1, 2  След.
Автор Сообщение
СообщениеДобавлено: Вс 23 мар, 2014 10:33 
Не в сети

Зарегистрирован:
Вс 23 мар, 2014 10:19

Сообщения: 8
В общем, такая проблема, есть контактные педали time atac но нет шипов, в магазинах шипов тоже не нашел.

Хочу выпилить из латуни самостоятельно, в инете нашел фотки вид сверху, по которому и буду пилить, но вот проблема, нет фотографии шипов с боку.

Уважаемые форумчане, если у кого есть указанные шипы, пришлите размеры толщин, углов заточки, фотографии с боку.


Вложения:
Комментарий к файлу: вид сверху
81440-cales-time.JPG
81440-cales-time.JPG [ 30.9 КБ | Просмотров: 5402 ]
Вернуться к началу
 Профиль  
 
СообщениеДобавлено: Вс 23 мар, 2014 12:17 
Не в сети
Аватара пользователя

Зарегистрирован:
Ср 09 июл, 2008 23:18

Сообщения: 5819

Откуда: Соловьиная роща 8927Ч26I866
например тут или тут

_________________
резюмешка


Вернуться к началу
 Профиль  
 
СообщениеДобавлено: Вс 23 мар, 2014 13:27 
Не в сети
Аватара пользователя

Зарегистрирован:
Чт 10 июн, 2010 9:42

Сообщения: 2582
Если бы на таймы было не достать шипов кто бы их покупал вообще?
А так около 600 рублей в любом магазине

_________________
Во тьме ночной, при свете дня - в Печищах трейл катаю я. (с) :batman:


Вернуться к началу
 Профиль  
 
СообщениеДобавлено: Вс 23 мар, 2014 17:17 
Не в сети
Аватара пользователя

Зарегистрирован:
Пн 30 май, 2011 13:11

Сообщения: 1046
Феанор писал(а):
Если бы на таймы было не достать шипов кто бы их покупал вообще?
А так около 600 рублей в любом магазине

Да ну в любом? В велолиге, велоцентре в триале есть? Или это опять ляпнул не подумав :facepalm:


Вернуться к началу
 Профиль  
 
СообщениеДобавлено: Вс 23 мар, 2014 21:17 
Не в сети
Аватара пользователя

Зарегистрирован:
Чт 10 июн, 2010 9:42

Сообщения: 2582
mabden писал(а):
Да ну в любом? В велолиге, велоцентре в триале есть? Или это опять ляпнул не подумав :facepalm:


Покажи какие шипы можно купить в велолиге, велоцентре в триале? Или как всегда в чужом глазу соринку увидел, а в своём бревно не замечаешь? :facepalm:
Расскажи что из твоего велосипеда куплено в велолиге, велоцентре в триале - это будет веским аргументом или признай что ляпнул не подумав.
Мне ещё раз повторить, сначала прожуй и проглоти, а уже потом начинай говорить.

_________________
Во тьме ночной, при свете дня - в Печищах трейл катаю я. (с) :batman:


Вернуться к началу
 Профиль  
 
СообщениеДобавлено: Вс 23 мар, 2014 21:22 
Не в сети
Аватара пользователя

Зарегистрирован:
Ср 09 июл, 2008 23:18

Сообщения: 5819

Откуда: Соловьиная роща 8927Ч26I866
Феанор писал(а):
Покажи какие шипы можно купить в велолиге, велоцентре в триале?

Уверен, что ТС именно про Казань и обычные магазины и написал. В чём проблема-то? Я подсказал ему где оно есть, пусть приобщается к интеренет-магазинам. Всё правильно Глеб пишет. Чё ты бучу снова развел :)

Думай о своих соринках в первую очередь, добрее надо быть.

_________________
резюмешка


Вернуться к началу
 Профиль  
 
СообщениеДобавлено: Вс 23 мар, 2014 22:04 
Не в сети
Аватара пользователя

Зарегистрирован:
Чт 10 июн, 2010 9:42

Сообщения: 2582
DarkBenLaden писал(а):
Уверен, что ТС именно про Казань и обычные магазины и написал. В чём проблема-то? Я подсказал ему где оно есть, пусть приобщается к интеренет-магазинам. Всё правильно Глеб пишет. Чё ты бучу снова развел :)

Думай о своих соринках в первую очередь, добрее надо быть.


В Казанских веломагазинах шипов для контактов примерно столько же сколько в "пятёрочке" , как и других расходников, поэтому в этом вопросе я даже не рассматриваю Казанские веломагазины. А Глеб докопаться до меня захотел, прекрасно понимая о каких "любых магазинах" я говорил, собсно как аукнулось так и откликнулось, он вообще очень странно себя ведет последние два дня.

_________________
Во тьме ночной, при свете дня - в Печищах трейл катаю я. (с) :batman:


Вернуться к началу
 Профиль  
 
СообщениеДобавлено: Вс 23 мар, 2014 22:22 
Не в сети
Аватара пользователя

Зарегистрирован:
Ср 09 июл, 2008 23:18

Сообщения: 5819

Откуда: Соловьиная роща 8927Ч26I866
Феанор писал(а):
А Глеб докопаться до меня захотел...

Одно дело, ты катаешь не первый год, знаешь, чё где в магазинах есть, интернетами пользуешься - не каждый юзер дошёл до такой хорошей жизни. Ну и не рассматривай магазины наши, далеко не все такого высокого полёта птицы - вечно ты думаешь за других :)

_________________
резюмешка


Вернуться к началу
 Профиль  
 
СообщениеДобавлено: Вс 23 мар, 2014 22:35 
Не в сети
Аватара пользователя

Зарегистрирован:
Чт 10 июн, 2010 9:42

Сообщения: 2582
Заметь, я не называл плохими Казанские магазины, я лишь сказал что в плане расходников они не состоятельны.

_________________
Во тьме ночной, при свете дня - в Печищах трейл катаю я. (с) :batman:


Вернуться к началу
 Профиль  
 
СообщениеДобавлено: Вс 23 мар, 2014 22:40 
Не в сети
Аватара пользователя

Зарегистрирован:
Ср 09 июл, 2008 23:18

Сообщения: 5819

Откуда: Соловьиная роща 8927Ч26I866
Феанор писал(а):
...я лишь сказал что в плане расходников они не состоятельны.

И я не называл наши магазины плохими. Кстати, мило дело колодки тут брать - дешевле многих интернетов. Просто ТС написал в лоб о ситуации, остальное совершено не важно - человеку нужны шипы и всё. Проще показать, где они точно есть - а уж плохо искал он в Казани или в интернет-магазинах... ну на то тему и создал, чтоб помогли :)

_________________
резюмешка


Вернуться к началу
 Профиль  
 
СообщениеДобавлено: Вс 23 мар, 2014 22:56 
Не в сети
Аватара пользователя

Зарегистрирован:
Чт 10 июн, 2010 9:42

Сообщения: 2582
DarkBenLaden писал(а):
И я не называл наши магазины плохими.


Тогда по твоей логике получается, что каждый казанец кто катает в контактах, использует амо-вилку или аморт и пр. - "юзер хорошей жизни" и "высокого полёта птица" , я с этим не согласен и лично себя к таким причислить не могу.

DarkBenLaden писал(а):
Просто ТС написал в лоб о ситуации, остальное совершено не важно - человеку нужны шипы и всё


Ну тогда я прошу модераторов удалить все сообщения не по теме, сорри если кого обидел, весенний велотоксикоз никто не отменял.

_________________
Во тьме ночной, при свете дня - в Печищах трейл катаю я. (с) :batman:


Вернуться к началу
 Профиль  
 
СообщениеДобавлено: Вс 23 мар, 2014 23:12 
Не в сети
Аватара пользователя

Зарегистрирован:
Вс 13 июл, 2008 23:08

Сообщения: 5887

Откуда: Казань Квартал, тел 89033405613 ICQ:666323618
На случай, если человеку выпилить проще, чем ждать 3 недели посылку, можешь у меня взять. Территориально : Амирхана или Компрессорный.
Но стоит поспешить))) С такой погодой, чуется, что скоро они не будут стоять без дела :)

_________________
Ican Mamba 2014 Custom
Собираем совместный заказ на bike-discount.de


Вернуться к началу
 Профиль  
 
СообщениеДобавлено: Пн 24 мар, 2014 14:48 
Не в сети

Зарегистрирован:
Вс 23 мар, 2014 10:19

Сообщения: 8
Я в настоящий момент нахожусь в Москве, может кто подскажет где тут можно найти эти шипы.
Пока планирую посетить сокольники, но предварительно обзвонив пару магазинов сокольников сомневаюсь что шипы там найду.
Если знаете магазины в Москве напишите, желательно со станцией метро у которой они расположены.


Вернуться к началу
 Профиль  
 
СообщениеДобавлено: Пн 24 мар, 2014 21:34 
Не в сети
Аватара пользователя

Зарегистрирован:
Вт 05 мар, 2013 21:44

Сообщения: 641

Откуда: Советский район
НА веломании знают полюбому, там куча москвичей

_________________
Всякие товары


Вернуться к началу
 Профиль  
 
СообщениеДобавлено: Пт 11 апр, 2014 21:13 
Не в сети

Зарегистрирован:
Вс 23 мар, 2014 10:19

Сообщения: 8
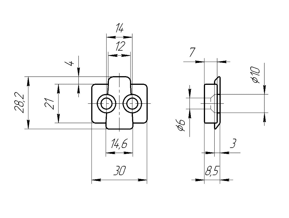
Тихая ночь, спасибо за размеры!
Шипы выпилил, если кому-нибудь, как и мне, захочется изготовить шипы Time atac, выкладываю чертеж заготовки и фото получившихся шипов.
До конечного вида шипы доводил напильником, примеряя по педалям.


Вложения:
шипы.gif
шипы.gif [ 17.02 КБ | Просмотров: 5074 ]
Вернуться к началу
 Профиль  
 
Показать сообщения за:  Поле сортировки  
Начать новую тему Ответить на тему  [ Сообщений: 16 ]  На страницу 1, 2  След.

Часовой пояс: UTC + 3 часа [ Летнее время ]


Кто сейчас на конференции

Сейчас этот форум просматривают: нет зарегистрированных пользователей и гости: 2


Вы не можете начинать темы
Вы не можете отвечать на сообщения
Вы не можете редактировать свои сообщения
Вы не можете удалять свои сообщения
Вы не можете добавлять вложения

Найти:
Перейти:  
cron
Powered by phpBB® Forum Software © phpBB Group
Русская поддержка phpBB